Opis
OPIS
Klapy przeciwpożarowe typu KTM przeznaczone są do montażu w instalacjach wentylacji ogólnej jako przegrody odcinające, oddzielające strefę objętą pożarem od pozostałej części budynku (normalnie otwarte). Funkcją tych klap jest powstrzymanie rozprzestrzeniania się ognia, temperatury i dymu. Klapy przeciwpożarowe typku KTM posiadają Certyfikat Stałości Właściwości Użytkowych nr 1438-CPR-0529, wydany przez Centrum Naukowo-Badawcze Ochrony Przeciwpożarowej – Państwowy Instytut Badawczy. Klapy są skonstruowane, produkowane oraz poddawane próbom zgodnie z wymogami norm: PN-EN 15650 „Wentylacja budynków - przeciwpożarowe klapy odcinające montowane w przewodach” oraz PN-EN 13501-3 „Klasyfikacja ogniowa wyrobów budowlanych i elementów budynków - Część 3: Klasyfikacja na podstawie wyników badań odporności ogniowej wyrobów i elementów stosowanych w instalacjach użytkowych w budynkach: ognioodpornych przewodów wentylacyjnych i przeciwpożarowych klap odcinających”. Skuteczność klap potwierdzona jest badaniami według normy PN-EN 1366-2 „Badania odporności ogniowej instalacji użytkowych - Część 2: Przeciwpożarowe klapy odcinające”. Klapa przeciwpożarowa typu KTM zakwalifikowana jest do klasy szczelności B (szczelność obudowy) na podstawie badań przeprowadzonych zgodnie z normą PN-EN 1751 „Wentylacja budynków. Urządzenia wentylacyjne końcowe. Badania aerodynamiczne przepustnic regulacyjnych i zamykających”.
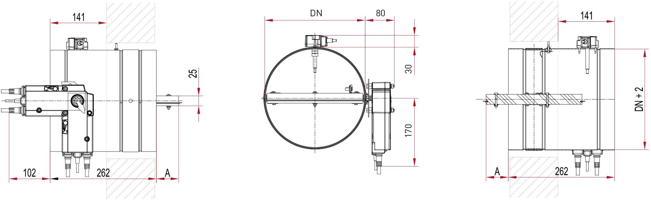
Klapy KTM (z mechanizmem sprężynowym) i KTM-E (z siłownikiem elektrycznym ze sprężyną powrotną) składają się z obudowy o przekroju kołowym, ruchomej jednopłaszczyznowej przegrody odcinającej i mechanizmu napędowego z elementem wyzwalającym. Obudowa klapy oraz elementy współpracujące wykonane są blachy stalowej ocynkowanej. Obydwa końce obudowy przystosowane są do połączenia wsuwanego typu mufowego, umożliwiające łatwe łączenie elementów kanału z klapą. Na zewnętrznej i wewnętrznej powierzchni obudowy, w miejscu perforacji, dookoła zamkniętej przegrody odcinającej, umieszczone są uszczelki pęczniejące. Cechą charakterystyczną uszczelek jest to, iż pod wpływem wysokiej temperatury zwiększają swoją objętość dokładnie wypełniając wszelkie nieszczelności między przegrodą a korpusem. Przegroda odcinająca klapy wykonana jest z płyty wapniowosilikatowej, na jej obwodzie zamocowana jest uszczelka gumowa, zapewniająca zachowanie szczelności klapy w temperaturze otoczenia. Klapa KTM wyposażona jest w sprężyny napędowe, które podczas otwierania przegrody magazynują energię, wykorzystywaną następnie do jej zamknięcia. Położenie przegrody w pozycji otwartej zapewnia wyzwalacz topikowy o nominalnej temperaturze zadziałania 70±5°C, umieszczony w specjalnych śrubowych zaczepach. Zamknięcie przegrody następuje w wyniku zadziałania wyzwalacza topikowego po przekroczeniu temperatury zadziałania. Zniszczenie wyzwalacza powoduje rozłączenie zaczepów śrubowych, a następnie obrót przegrody do pozycji zamkniętej na skutek zadziałania sprężyn napędowych. Ruch obracanej przegrody ograniczony jest za pomocą oporowego zderzaka. Klapa KTM-E wyposażona jest w siłownik elektryczny wraz ze sprężyną powrotną serii BFL firmy BELIMO oraz wyzwalacz termiczny BAT lub BAE (72°C), stanowiący układ napędowy klapy o napięciu zasilania AC/DC 24 V. Po podaniu napięcia siłownik obraca przegrodę do pozycji otwartej. Zamknięcie przegrody następuje w przypadku zaniku napięcia lub zadziałania wyzwalacza termicznego (znajdująca się w siłowniku sprężyna powrotna wracając do pozycji swobodnej powoduje zamknięcie przegrody). Podczas normalnej pracy instalacji przegroda odcinająca klap KTM-E znajduje się w pozycji otwartej. W przypadku wybuchu pożaru następuję przejście przegrody klapy do pozycji zamkniętej. Dopuszczalna prędkość przepływu w kanale przyłączeniowym wynosi 12 m/s dla klapy KTM-E z siłownikiem oraz 8 m/s dla klapy KTM z mechanizmem sprężynowym.
Ze względu na specyfikę stosowania by zminimalizować ryzyko uszkodzenia w transporcie towaru nie podlega on zwrotowi.
KLASYFIKACJA
Klapy odcinające typu KTM posiadają klasyfikację w następującym zakresie odporności ogniowej oraz mogą być montowane w podanych poniżej przegrodach budowlanych:
EI 120 (ve ho i←o) S
- stropach o gęstości 2200±200 kg/m3 lub większej, o grubości 150 mm lub większej oraz o klasie odporności ogniowej EI120 lub większej,
- ścianach sztywnych o niskiej gęstości (650±200 kg/m3 ) lub większej, o grubości 115 mm lub większej oraz o klasie odporności ogniowej EI120 lub większej (np. ścianach betonowych, murowanych z cegły pełnej, z bloczków z betonu komórkowego lub pustaków oraz z płyt),
- ścianach podatnych o grubości 125 mm lub większej i klasie odporności ogniowej EI 120 lub większej (grubszych, o większej gęstości, większej ilości warstw płyty).
EI 90 (ve i↔o) S
- ścianach podatnych standardowych o grubości 100 mm lub większej i klasie odporności ogniowej EI90 lub większej (grubszych, o większej gęstości, więcej warstw płyty),
- ścianach sztywnych o grubości 100 mm lub większej oraz o odporności ogniowej EI90 lub większej (np. ścianach betonowych, murowanych z cegły pełnej, z bloczków z betonu komórkowego lub pustaków oraz płyt),
- z dala od ścian sztywnych o niskiej gęstości (650±200 kg/ m3 ) lub większej, o grubości 120 mm lub większej oraz o odporności ogniowej EI90 lub większej (np.: betonowych, ścianach murowanych z cegły pełnej, z bloczków betonu komórkowego lub pustaków oraz z płyt),
EI 60 (ve i↔o) S
- ścianach sztywnych o grubości 100 mm lub większej i gęstości 520 kg/m³ lub większej oraz o klasie odporności ogniowej EI60 lub większej.
EI 30 (ve i↔o) S
- ścianach podatnych standardowych o grubości 75 mm i klasie odporności ogniowej EI30 lub większej (grubszych, o większej gęstości, więcej warstw płyty),
DANE TECHNICZNE
- średnica 100mm,
- przyłącze mufowe,
- KTM-E – klapy z siłownikiem elektrycznym ze sprężyną powrotną,
- długość klapy 262mm,
- posiada klasyfikację odporności ogniowej od EI30(ve i↔o)S do EI120(ve i←o)S w zależności od typu oraz grubości przegrody budowlanej w której jest zainstalowana oraz sposobu jej montażu.
ZASTOSOWANIE
- hale produkcyjne i magazynowe,
- centra logistyczne,
- budynki użyteczności publicznej,
- budynki handlowo - usługowe,
- budynki mieszkalne,
- obiekty hotelowe.
WYMIARY
